欢迎您访问 浙江广通工程咨询有限公司 官方网站!
当前位置:首页 > 政策法规 >  关于印发《浙江省建设工程计价依据(2018版)综合解释及动态调整补充》(二)的通知
政策法规
POLICIES
关于印发《浙江省建设工程计价依据(2018版)综合解释及动态调整补充》(二)的通知
发布时间:2022-01-10 阅读次数:2352次

浙建站计〔2021〕4号


各市造价管理机构及有关单位:

为深入贯彻执行我省2018版计价依据,规范建设市场计价行为,妥善解决计价依据应用过程中有关问题,经研究,现将浙江省建设工程计价依据(2018版)相关问题的综合解释、部分定额的调整和补充印发给你们。动态调整和补充的定额项目自2022年1月1日起执行。

浙江省建设工程造价管理总站
2021年12月30日

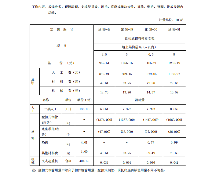
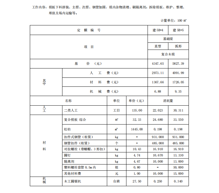
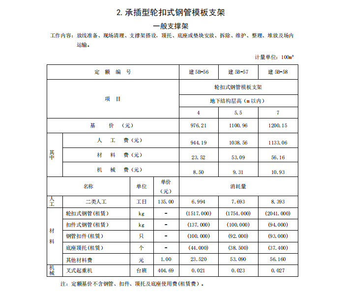
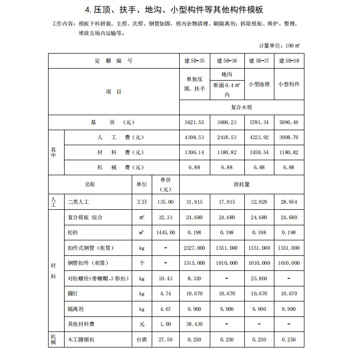
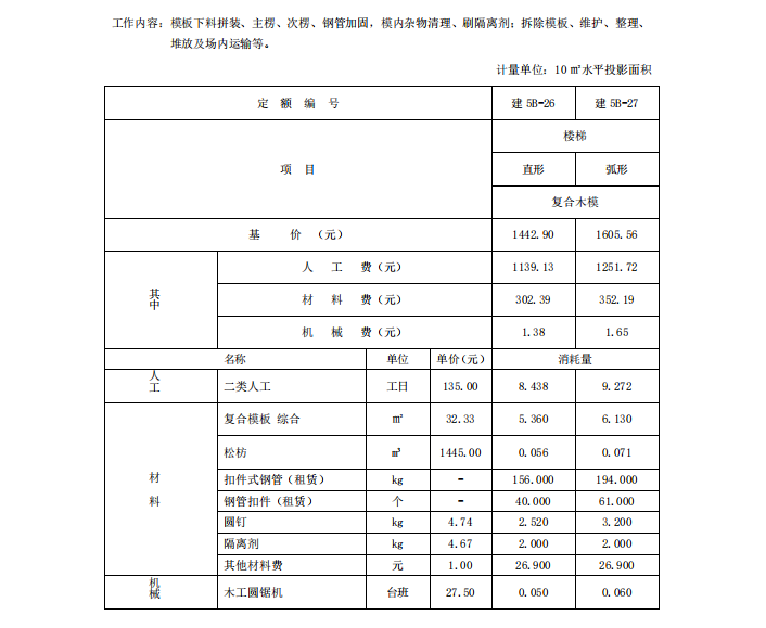
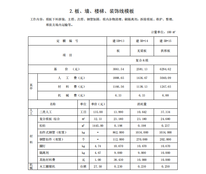
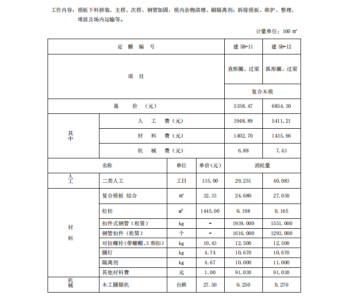
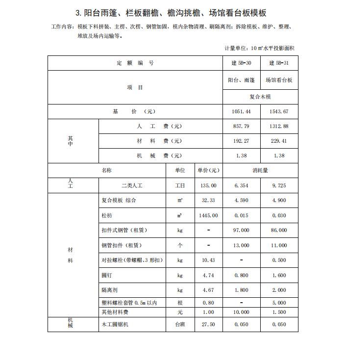
附件:《浙江省建设工程计价依据(2018版)综合解释及动态调整补充》(二)


关注我们
扫一扫,更多精彩等着您!
版权所有 © 浙江广通工程咨询有限公司   联系电话:0571-88372523  邮箱:zjgtzx163@163.com  地址:浙江省杭州市拱墅区祥符街道三墩路85号2幢629室 www.zjgtzx.cn
备案号:浙ICP备19001518号     技术支持:逍侠网络